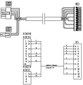
KM769685G04 CABLE, AMD DOOR SIGNALS L=4M Sign in or create a user account here to see more product details. Sign in or Register Product Details Component Family Codes LCE - Lift Controller and Electrification LCE - Lift Controller and Electrification Product Description fr: CABLE COMMANDE PORTE ADM1 L=4M en: CABLE, AMD DOOR SIGNALS L=4M da: Loom AMD control - Drive 1 - C-side en: CABLE, AMD DOOR SIGNALS L=4M Material Utilisation Group 10700 - CONTROL SYSTEM WIRING 10700 - CONTROL SYSTEM WIRING Material group EL12 - Car roof electrification (excluding car positioning control devices) Product Family Codes MMS ReSolve 10 ReSolve 20 ReSolve 40 MMS Gross weight 0,44 Unit of weight kg Sales Unit of Measure PC