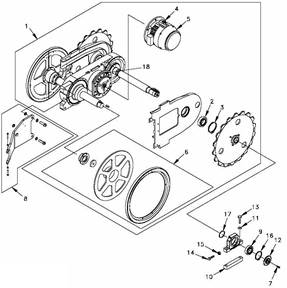
KM5062311 DRIVE, SINGLE TYPE 800 CFG R95 Sign in or create a user account here to see more product details. Sign in or Register Product Details Product Description de: ANTRIEBSTATION M9.1-80 P9.1-145VORM R95 en: DRIVE, SINGLE TYPE 800 CFG R95 fr: ENTRAINEMENT SIMPLE TYPE 800 CFG R95 zh: 单马达 80. CFG#24111100002 en: DRIVE, SINGLE TYPE 800 CFG R95 Material Utilisation Group 52110 - DRIVE 52110 - DRIVE Material group GC0 - Drive Station Assemblies, Complete Product Family Codes ECO3000 Escalator Release 2.0 ECO3000 Escalator Release 2.0 Gross weight 0,001 Unit of weight kg Sales Unit of Measure PC